Bildungsgang: Elektrotechnischer Assistent
FHR/AHR;
Fachpraxis Elektrotechnik; Raimund Schmetz, Technischer Lehrer
Arbeitsblätter
sind nur für den Unterricht bestimmt, jede Haftung ist
ausgeschlossen!
Richtungspfeil in SMD Schaltung:
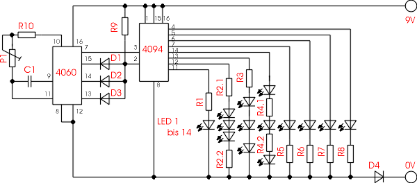
Schaltung: 14-stufiger Zähler mit Oszillator und Schieberegister.

Bestückungsplan:
Materialien:
R1 = R5 = R6 = R7 = R8 =100W
R2.1 = R2.2 = R4.1 = R4.2 = 33W
R9 = 10 kW R10 = 4,7kW R3 = 66W
R11 = Festwiderstand 50kW oder Potentiometer 100kW
C1= 33nF
D1 = D2 = D3 = D4 = 1N4148 14 LED´s
IC = 4060 und 4094Layout: als CorelDRAW - Datei; ich bitte um Kontaktaufnahme über e-mail